KFTE VALVE CO., LTD.
KFTE VALVE CO., LTD.

Resilient-Seated Eccentric Plug Valve

The resilient-seated eccentric plug valve features an eccentric (offset) plug that rotates to control the flow path. "Resilient-seated" refers to the use of a soft, flexible material (like rubber or elastomer) for the seating surface, providing a tight seal when the valve is closed. The plug’s offset design reduces friction and wear during operation, allowing for a tight shutoff with minimal torque. This enhances the valve's longevity and reliability. The resilient seat can absorb minor debris and imperfections, maintaining a reliable seal. Eccentric plug valves offer excellent throttling capabilities for precise fluid flow control.

Features
Structural Drawing

Features for Resilient-Seated Eccentric Plug Valve

Designed for Demanding Applications

KFTE Resilient-Seated Eccentric Plug Valves are built to handle a wide range of media, including clean and dirty liquids, sludge, slurries, and gases. These valves are ideal for both isolation/shutoff and throttling/control services and are commonly used in water treatment, wastewater treatment, power generation, chemicals, mining, and pulp & paper industries.


Exceptional Control and Accuracy

These valves provide precise throttling control. The permanently lubricated bearings and eccentric design minimize stiction, allowing for smooth, incremental adjustments. The one-piece cast plug and shaft eliminate backlash and hysteresis, and the firm actuator coupling ensures high accuracy.


Versatile Material Options

KFTE offers a full range of body materials for various applications, rated up to 285 psi (1965 kPa). Available materials include cast iron, acid-resistant bronze, carbon steel, stainless steel, Alloy 20, Monel, and Hastelloy C.


Reliable, Multiple Ring Packing

The valve features multiple V-ring packing within a machined chamber and an adjustable gland. This design provides excellent sealing performance and self-compensates for wear over time.


Resilient Plug Facings for Long Service Life

KFTE Resilient-Seated Eccentric Plug Valves are equipped with resilient plug facings that provide a tight seal, even when small solids are present between the plug and seat. This feature helps protect the seat from damage and ensures a longer service life.



Applications of Resilient-Seated Eccentric Plug Valve

Resilient-seated eccentric plug valves are highly versatile and are used in several demanding industrial applications:

  • Water and Wastewater Treatment: These valves provide precise control over the flow of water, ensuring reliable shutoff or throttling in treatment processes.

  • Chemical Processing: Their corrosion-resistant and durable construction makes them ideal for handling chemicals in a wide range of processing environments.

  • Slurry and Mining Operations: The resilient seat design allows them to handle abrasive fluids and slurries with minimal wear, extending valve life and reducing maintenance costs.

  • Pulp and Paper Industry: These valves are perfect for managing the flow of liquids and chemicals, offering consistent performance even under challenging conditions.


Why Choose KFTE Valve for Resilient-Seated Eccentric Plug Valves?

KFTE Valve produces high-quality, reliable valves used in industries, engineered to meet the toughest demands of industrial applications. 

  • Top-Quality Manufacturing: we ensure that every valve is manufactured to the highest industry standards for reliability and performance.

  • Customization Options: We offer a wide variety of materials, sizes, and valve configurations to suit the specific needs of your application.

  • Reliable Customer Support: We provide dedicated customer service to assist with valve selection, installation, and maintenance, ensuring optimal valve performance throughout its life cycle.

  • Global Reach: With our vast experience as an eccentric plug valve supplier, we serve industries worldwide, delivering quality valves quickly and efficiently.


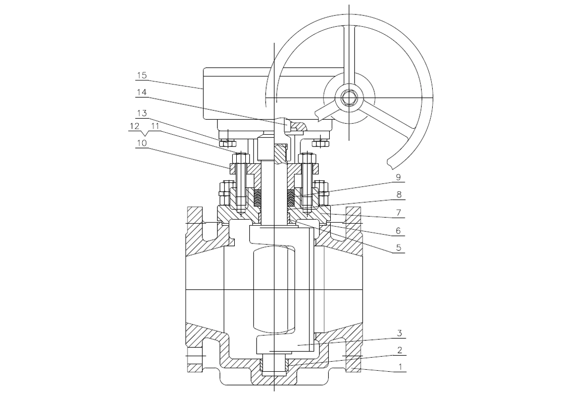
Structural Drawing forResilient-Seated Eccentric Plug Valve

Resilient-Seated Eccentric Plug Valve-Gear01
Resilient-Seated Eccentric Plug Valve-Gear02
Resilient-Seated Eccentric Plug Valve-Lever


Material Specification
NO.DESCRIPTIONCAST IRONDUCTILE IRON
1BODYCAST IRONDUCTILE IRON
2BOTTOM BEARINGSS304SS304
3PLUGCAST IRON+NBRDUCTILE IRON+NBR
5TOP BEARINGSS304SS304
6SEAL GASKETPTFEPTFE
7COVERCAST IRONDUCTILE IRON
8"O" RINGNBRNBR
9PACKINGGRAPHITEGRAPHITE
10GLANDCAST IRONDUCTILE IRON
11FOLLOWER STUDA193 B8A193 B8
12FOLLOWER NUTSA194 8A194 8
13STUDA193 B8A193 B8
14KEYSTAINLESS STEELSTAINLESS STEEL
15WORM GEAR--



Material Specification
NO.DESCRIPTIONCAST IRONDUCTILE IRON
1BODYCAST IRONDUCTILE IRON
2BOTTOM BEARINGSS304SS304
3PLUGCAST IRON+NBRDUCTILE IRON+NBR
4SEAL GASKETSS304+GRAPHITESS304+GRAPHITE
5TOP BEARINGSS304SS304
6COVERCAST IRONDUCTILE IRON
7"O" RINGNBRNBR
8YOKECAST IRONCAST IRON
9PACKINGGRAPHITEGRAPHITE
10GLANDCAST IRONDUCTILE IRON
11KEYSTAINLESS STEELSTAINLESS STEEL
12WORE-GEAR ACTUATOR--
13BOLTA193 B8A193 B8
14NUTA194 8A194 8



Material Specification
NO.DESCRIPTIONCAST IRONDUCTILE IRON
1BODYCAST IRONDUCTILE IRON
2PLUGCAST IRON+NBRDUCTILE IRON+NBR
3GASKETPTFEPTFE
4CAPCASR IRONDUCTILE IRON
5PACKINGFLEXIBLE GRAPHITEFLEXIBLE GRAPHITE
6GASKETPTFEPTFE
7STUDA193 B8A193 B8
8NUTA194 8A194 8
9GLANDCAST IRONDUCTILE IRON
10BOLTSTAINLESS STEELSTAINLESS STEEL
11HANDLECARBON STEELCARBON STEEL
12BOTTOM BEARINGSS304SS304


Get To Know More About KFTE VALVE
Get To Know More About KFTE VALVE
We will become your reliable long-term partner based on high-quality industrial valves.